| 육각 너트 및 국가를 사용하는 아파트를 가로 지르는 너비 | ||
| 너비 | 21 | 영국과 연방 국가 |
| 너비 | 22 | 미국, 독일 및 일부 유럽 국가 |
| 너비 | 23 | 호주 |
| 너비 | 19 | 일본, 한국 및 일부 동남아시아 국가 |
|
| 볼트 디아. | 아파트를 가로 지르는 너비 | 키 | 아파트를 가로 지르는 너비 | 키 | 아파트를 가로 지르는 너비 | 키 |
| 육각 너트 | 1/2 ' | S21 | h11 | S22 | h11 | S23 | h11 |
| 육각 너트 |
| SF21 | H14 | SF22 | H14 | SF23 | H14 |
| 육각 너트 |
| SF21 | H19 | SF22 | H19 | SF23 | H119 |
| 육각 너트 |
| S21 | H15 |
|
|
|
|
| 육각 너트 | M14 | S22 | h11 | S23 | h11 |
|
|
| 육각 너트 |
| SF22 | H14 | SF23 | H14 |
|
|
| 육각 너트 |
| SF22 | H19 | SF23 | H119 |
|
|
| 육각 너트 | M12 | SF19 | H9 |
|
|
|
|
| 날개 너트 | 1/2 |
|
|
|
|
|
|
|
| 디아. | 유효 길이 / 볼트 길이 | 사용 |
|
t-bolt | 1/2 | 75-88 | 영국과 연방 국가 |
| M14 | 75-87 | 미국, 독일 및 일부 유럽 국가 | |
| M14 | 98-110 | 미국, 독일 및 일부 유럽 국가 | |
|
눈 볼트 | 1/2 | 67-86 | 영국과 연방 국가 |
| M12 | 57-73 | 영국과 연방 국가 | |
| M14 | 70-90 | 미국, 독일 및 일부 유럽 국가 | |
| 스플릿 엔드 볼트 | 1/2 | 45-82 | Putlog 커플러, BRC 등의 경우 |
|
캐리지 볼트 |
1/2 | 116-125 |
튜브 외부 클램프, 범용 클램프 등 |
| 85-92 | |||
| 육각형 볼트 | M16 | 72-80 | 대들보 커플러의 경우 DF 조인트 핀 |
| 평평한 t- 볼트 | 1/2 | 66-76 | 이탈리아 커플러의 경우 |
|
| 두께 | 내부 / 외부 직경. |
|
세탁기 | 3.5 | 13-26 |
| 5 | 13-26 |
| 더블 | 스위블 커플러 | ||
| 48.3*34 | 48.3*34 | 34*34 | 34*38 |
| 48.3*38 | 48.3*38 | 38*38 | 38*42 |
| 48.3*42 | 48.3*42 | 42*42 | 42*60 |
| 48.3*48.3 | 48.3*48.3 | - | - |
| 48.3*60 | 48.3*60 | 60*60 | 60*76 |
| 48.3*76 | 48.3*76 | 76*76 | 86*89 |
| - | 48.3*89 | 89*89 | - |
| 아니요. | 테스트 항목 | 테스트 방법 | 결과 | 결론 |
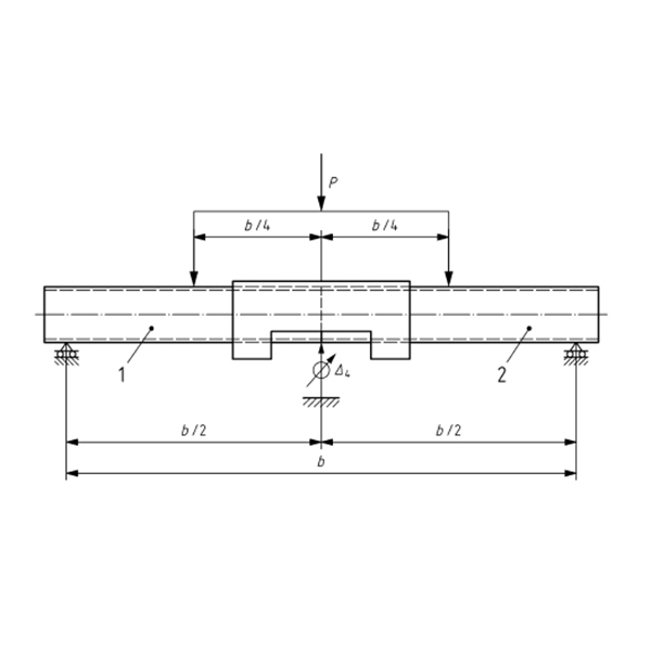
| 1 | 미끄러짐 | EN 74-1 : 2022 절 7.2.1 | 결과를 참조하십시오 | 통과하다 |
| 2 | 실패력 | EN 74-1 : 2022 절 7.2.2 | 결과를 참조하십시오 | 통과하다 |
| 3 | 풀 아파트 힘 | EN 74-1 : 2022 절 7.3 | 결과를 참조하십시오 | 통과하다 |
| 4 | 십자형 굽힘 강성과 십자형 굽힘 궁극적 인 순간 | EN 74-1 : 2022 절 7.4.1 | 결과를 참조하십시오 | 통과하다 |
| 5 | 회전 순간과 강성 | EN 74-1 : 2022 절 7.4.2 | 결과를 참조하십시오 | 통과하다 |
| 테스트 항목 | 테스트 결과 | EN 74-1 : 2022의 요구 사항 표 8 | 결론 |
| 미끄러짐 | △ 1≤7mm, fs, 5% = 20.9kn | △ 1≤7mm, fs, 5%≥10.0kn | 통과하다 |
| 1mm≤ ≤ 2≤2mm, fs, 5% = 25.0kn | 1mm≤ ≤ 2≤2mm, fs, 5% ≥15.0kn |
| 표본 번호 | FS (kn,, 1 = 7mm) | FS (kn, 1mm≤ △ 2≤2mm) |
| 1 | 22.18 | 26.59 |
| 2 | 23.06 | 26.35 |
| 3 | 21.97 | 25.88 |
| 4 | 23.14 | 27.06 |
| 5 | 22.85 | 26.37 |
| 6 | 22.91 | 27.42 |
| 7 | 24.45 | 28.36 |
| 8 | 23.66 | 27.42 |
| 9 | 21.73 | 25.62 |
| 10 | 21.51 | 26.03 |
| FS, 5% | 20.9 | 25.0 |
| 테스트 항목 | 테스트 결과 | EN 74-1 : 2022의 요구 사항 표 8 | 결론 |
| 실패력 | FF, 5%/γR2 = 57.6KN | FF, 5%/γR2 ≥30.0KN | 통과하다 |
| 표본 번호 | FF (KN) |
| 11 | 74.71 |
| 12 | 77.54 |
| 13 | 78.62 |
| 14 | 75.31 |
| 15 | 79.85 |
| FF, 5%/γR2 | 57.6 |
| 테스트 항목 | 테스트 결과 | EN 74-1 : 2022의 요구 사항 표 8 | 결론 |
| 풀 아파트 힘 | FP, 5%/γR2 = 48.9kn | FP, 5%/γR2 ≥30.0KN | 통과하다 |
| 표본 번호 | FP (KN) |
| 16 | 66.85 |
| 17 | 71.96 |
| 18 | 64.27 |
| 19 | 69.83 |
| 20 | 67.24 |
| FP, 5%/γR2 | 48.9 |
| 테스트 항목 | 테스트 결과 | EN 74 1 : 2022의 요구 사항 표 8 | 결론 |
| 십자형 굽힘 강성과 십자형 굽힘 궁극적 인 순간 | MB/1.65 = 0.48knm, C1 = 28.9knm/rad | MB/1.65 = 0.48knm, C1 +15.0knm/rad | 통과하다 |
| MB = 0.8knm, C2 = 7.5knm/rad | MB = 0.8knm, C2 ≥6.0knm/rad | ||
| 멀티, 5%= 1.6knm | 멀티, 5%≥1.6knm |
| 샘플 번호 | C1 (KNM/RAD, MB/1.65 = ± 0.48knm) | C2+ (KNM/RAD, MB = 0.8KNM) | C2- (KNM/RAD, MB = -0.8KNM) | 멀티 (KNM) |
| 26 | 29.35 | 8.07 | - | 1.61 |
| 27 | 30.96 | 7.59 | - | 1.63 |
| 28 | 29.75 | 8.45 | - | 1.60 |
| 29 | 31.43 | 8.08 | - | 1.64 |
| 30 | 24.62 | 8.26 | - | 1.62 |
| 31 | 30.72 | - | 6.45 | 1.59 |
| 32 | 30.52 | - | 6.61 | 1.64 |
| 33 | 25.12 | - | 6.73 | 1.60 |
| 34 | 27.19 | - | 7.74 | 1.61 |
| 35 | 31.56 | - | 7.41 | 1.63 |
| - | C1 = 28.9 | C2 = 7.5 | 멀티, 5%= 1.6 | |

| 테스트 항목 | 테스트 결과 | EN 74-1 : 2022의 요구 사항 표 8 | 결론 |
| 회전 순간과 강성 | MT = ± 0.13knm, Cφ = 61.5knm/rad | MT = ± 0.13kNM, Cφ≥7.5knm/rad | 통과하다 |
| 1 ° ≤θ≤2 °, MT, 5%= 0.51knm | 1 ° ≤θ≤2 °, MT, 5%≥0.13knm |
| 샘플 번호 | Cφ (knm/rad, mt = ± 0.13knm) | MT (KNM, 1 ° ≤θ≤2 °) |
| 21 | 61.29 | 0.576 |
| 22 | 61.73 | 0.647 |
| 23 | 59.38 | 0.545 |
| 24 | 63.09 | 0.597 |
| 25 | 62.17 | 0.618 |
| - | Cφ = 61.5 | MT, 5%= 0.51 |
정상적인 상황에서는 B 등급에 도달하기가 어렵지만 우리는 도달했습니다.
| 아니요. | 테스트 항목 | 테스트 방법 | 결과 | 결론 |
| 1 | 미끄러짐 | EN 74-1 : 2022 절 7.2.1 | 결과를 참조하십시오 | 통과하다 |
| 2 | 실패력 | EN 74-1 : 2022 절 7.2.2 | 결과를 참조하십시오 | 통과하다 |
| 테스트 항목 | 테스트 결과 | EN 74-1 : 2022의 요구 사항 표 8 | 결론 |
| 미끄러짐 | △ 1≤7mm, fs, 5% = 10.7kn | △ 1≤7mm, fs, 5%≥7.0kn | 통과하다 |
| fs = 20.0kn, △ 2 <1mm | 1mm≤ ≤ 2≤2mm, fs, 5% ≥10.0kn |
| 표본 번호 | FS (kn,, 1 = 7mm) | FS (kn, 1mm≤ △ 2≤2mm) |
| 1 | 11.81 | fs = 20.0kn, △ 2 <1mm |
| 2 | 13.47 | fs = 20.0kn, △ 2 <1mm |
| 3 | 12.53 | fs = 20.0kn, △ 2 <1mm |
| 4 | 11.04 | fs = 20.0kn, △ 2 <1mm |
| 5 | 12.58 | fs = 20.0kn, △ 2 <1mm |
| 6 | 12.39 | fs = 20.0kn, △ 2 <1mm |
| 7 | 13.07 | fs = 20.0kn, △ 2 <1mm |
| 8 | 11.21 | fs = 20.0kn, △ 2 <1mm |
| 9 | 12.62 | fs = 20.0kn, △ 2 <1mm |
| 10 | 11.87 | fs = 20.0kn, △ 2 <1mm |
| FS, 5% | 10.7 | - |
| 테스트 항목 | 테스트 결과 | EN 74-1 : 2022의 요구 사항 표 8 | 결론 |
| 실패력 | FF, 5%/γR2 = 39.8kn | FF, 5%/γR2 ≥14.0KN | 통과하다 |
| 표본 번호 | FF (KN) |
| 11 | 52.05 |
| 12 | 57.56 |
| 13 | 54.36 |
| 14 | 57.69 |
| 15 | 57.75 |
| FF, 5%/γR2 | 39.8 |
| 아니요. | 테스트 항목 | 테스트 방법 | 결과 | 결론 |
| 1 | 미끄러짐 | EN 74-1 : 2022 절 7.2.1 | 결과를 참조하십시오 | 통과하다 |
| 2 | 굽힘 순간 | EN 74-1 : 2022 절 7.4.3 | 결과를 참조하십시오 | 통과하다 |
| 테스트 항목 | 테스트 결과 | EN 74-1 : 2022의 요구 사항 표 8 | 결론 |
| 미끄러짐 | fs = 18.0kn, △ 2 < 1mm | 1mm≤ ≤ 2≤2mm, fs, 5% ≥9.0kn | 통과하다 |
| 표본 번호 | FS (kn, 1mm≤ △ 2≤2mm) |
| 1 | fs = 18.0kn, △ 2 < 1mm |
| 2 | fs = 18.0kn, △ 2 < 1mm |
| 3 | fs = 18.0kn, △ 2 < 1mm |
| 4 | fs = 18.0kn, △ 2 < 1mm |
| 5 | fs = 18.0kn, △ 2 < 1mm |
| 6 | fs = 18.0kn, △ 2 < 1mm |
| 7 | fs = 18.0kn, △ 2 < 1mm |
| 8 | fs = 18.0kn, △ 2 < 1mm |
| 9 | fs = 18.0kn, △ 2 < 1mm |
| 10 | fs = 18.0kn, △ 2 < 1mm |
| FS, 5% | - |
| 테스트 항목 | 테스트 결과 | EN 74-1 : 2022의 요구 사항 표 8 | 결론 |
| 굽힘 순간 | MB = 2.8knm, 시편은 끊어지지 않았다 | MB, 5% ≥1.4knm | 통과하다 |
| 표본 번호 | MB (KNM) |
| 11 | MB = 2.8knm, 시편은 끊어지지 않았다 |
| 12 | MB = 2.8knm, 시편은 끊어지지 않았다 |
| 13 | MB = 2.8knm, 시편은 끊어지지 않았다 |
| 14 | MB = 2.8knm, 시편은 끊어지지 않았다 |
| 15 | MB = 2.8knm, 시편은 끊어지지 않았다 |
| MB, 5% | MB = 2.8knm, 시편은 끊어지지 않았다 |
| 아니요. | 테스트 항목 | 테스트 방법 | 결과 | 결론 |
| 1 | 미끄러짐 저항 | BS 1139-2.2 : 2009+A1 : 2015 조항 7.2 & Annex A.2 | 결과를 참조하십시오 | 통과하다 |
| 테스트 항목 | 테스트 결과 | BS 1139 2.2 : 2009+A1 : 2015 조항 7.2 | 결론 |
| 미끄러짐 저항 | 1mm≤ ≤ 2≤2mm, fs, 5% = 1.13kn | 1mm≤ ≤ 2≤2mm, fs, 5% ≥1.04kn | 통과하다 |
| 표본 번호 | P (KN) |
| 1 | 2.69 |
| 2 | 1.75 |
| 3 | 1.51 |
| 4 | 2.47 |
| 5 | 1.93 |
| FS, 5% | 1.13 |
| 아니요. | 테스트 항목 | 테스트 방법 | 결과 | 결론 |
| 1 | 강도 테스트 | AS/NZS 1576.2 : 2016 절 4.7 및 부록 l | 결과를 참조하십시오 | 통과하다 |
| 2 | 플랜지 클램프를 통한 슬립 테스트 | AS/NZS 1576.2 : 2016 절 4.7 및 부록 m | 결과를 참조하십시오 | 통과하다 |
| 3 | 플랜지를 따라 플랜지 클램프의 슬립 테스트 | AS/NZS 1576.2 : 2016 절 4.7 및 부록 n | 결과를 참조하십시오 | 통과하다 |
| 테스트 항목 | 테스트 결과 | AS/NZS 1576.2 : 2016 조항 4.7의 요구 사항 | 결론 |
| 강도 테스트 | P = 30.0KN, 플랜지 클램프도 영구적 인 세트를 보여주지 않았습니다 | p = 30.0kn, 플랜지 클램프는 영구 세트를 표시해서는 안됩니다 | 통과하다 |
| 테스트 항목 | 강도 테스트 |
| 요구 사항 | p = 30.0kn, 플랜지 클램프는 영구 세트를 표시해서는 안됩니다. |
| 시편 번호/테스트 결과 | - |
| 1, 2 | 클램프도 영구적 인 세트를 보여주지 않았습니다. |
| 3,4 | 클램프도 영구적 인 세트를 보여주지 않았습니다. |
| 5,6 | 클램프도 영구적 인 세트를 보여주지 않았습니다. |
| 7,8 | 클램프도 영구적 인 세트를 보여주지 않았습니다. |
| 9,10 | 클램프도 영구적 인 세트를 보여주지 않았습니다. |
| 11,12 | 클램프도 영구적 인 세트를 보여주지 않았습니다. |
| 결론 | 통과하다 |
| 테스트 항목 | 테스트 결과 | AS/NZS 1576.2 : 2016 조항 4.7의 요구 사항 | 결론 |
| 플랜지 클램프를 통한 슬립 테스트 | p = 12.5kn, 미끄러짐 <6mm | p = 12.5kn, 미끄러짐 ≤ 6mm | 통과하다 |
| 테스트 항목 | 플랜지 클램프를 통한 슬립 테스트 |
| 요구 사항 | p = 12.5kn, 미끄러짐 ≤ 6mm |
| 샘플 번호/테스트 결과 | 미끄러짐 (MM) |
| 13, 14 | 0.02 |
| 15, 16 | 0.01 |
| 17, 18 | 0.03 |
| 19, 20 | 0.02 |
| 21, 22 | 0.04 |
| 23, 24 | 0.02 |
| 결론 | 통과하다 |
| 테스트 항목 | 테스트 결과 | AS/NZS 1576.2 : 2016 조항 4.7의 요구 사항 | 결론 |
| 플랜지를 따라 플랜지 클램프의 슬립 테스트 | p = 12.5kn, 미끄러짐 <6mm | p = 12.5kn, 미끄러짐 ≤ 6mm | 통과하다 |
| 테스트 항목 | 플랜지를 따라 플랜지 클램프의 슬립 테스트 |
| 요구 사항 | p = 12.5kn, 미끄러짐 ≤ 6mm |
| 샘플 번호/테스트 결과 | 미끄러짐 (MM) |
| 25 | 0.58 |
| 26 | 0.62 |
| 27 | 0.49 |
| 28 | 0.41 |
| 29 | 0.67 |
| 30 | 0.61 |
| 31 | 0.53 |
| 32 | 0.51 |
| 33 | 0.67 |
| 34 | 0.53 |
| 35 | 0.48 |
| 36 | 0.56 |
| 결론 | 통과하다 |
| 아니요. | 테스트 항목 | 테스트 방법 | 결과 | 결론 |
| 1 | 실패력 | EN 74-1 : 2022 조항 7.2.2를 참조하십시오 | 결과를 참조하십시오 | N/A |
| 표본 번호 | 최대 테스트 하중 (KN) | 실패 모드 |
| 1 | 50.23 | 보드의 앵커 구멍이 고장났습니다 |
| 2 | 48.57 | 보드의 앵커 구멍이 고장났습니다 |
| 3 | 51.59 | 보드의 앵커 구멍이 고장났습니다 |
| 4 | 50.64 | 보드의 앵커 구멍이 고장났습니다 |
| 5 | 51.17 | 보드의 앵커 구멍이 고장났습니다 |
결과 요약 :
| 아니요. | 테스트 항목 | 테스트 방법 |
| 1 | 실패력 | EN 74-1 : 2005를 참조하여 |
테스트 결과 :
| 테스트 항목 | 테스트 결과 | |||||
| 1# | 3# | 3# | 4# | 5# | FP, 5%/γR2 | |
| 실패력 (KN) | 42.84 | 38.89 | 43.60 | 42.91 | 40.79 | 29.8 |
| 다운로드 |
|---|
Copyright © 2016-2022 EK Metalwork Co., Ltd. 모든 권리 보유.
